首页 >>产品展示 >>电动法兰式软密封蝶阀

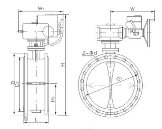
电动法兰式软密封蝶阀

电动法兰式软密封蝶阀

应用规范

1、设计、制造: GB/T12238-2008

2、结构长度: GB/T12221-2005

3、连接法兰: GB4216.4- 84; GB9115.8-2000

4、阀门检查和试验: GB/T13927-92


应用规范

1、设计、制造: GB/T12238-2008

2、结构长度: GB/T12221-2005

3、连接法兰: GB4216.4- 84; GB9115.8-2000

4、阀门检查和试验: GB/T13927-92


性能规范

阀体材料:铸铁、碳钢、不锈钢等

密封圈材料:

丁腈橡胶X1 -46~ +1219℃

氨丁橡胶X2 -29~ +99℃

丁腈橡胶X3 -23~ +82℃

氯丁橡胶X4 -23~+ 150℃

聚四氟乙烯塑料F4 10~+150℃

适用介质:淡水、污水、海水、空气、蒸汽、食品、

药品,各种油类.酸类、碱类、盐类等。



在线咨询产品

欢迎来到我们的网站。如果您有任何请求或建议,请随时发送电子邮件至我们的邮箱:sxl@vmv-valves.com 或使用以下查询表格。请允许我们为您提供最好的服务。